Интерфейс RS-485
Введение
Большинство разработчиков систем промышленной автоматизации и сетей передачи данных в той или иной степени имеют представление о стандартах RS-422/RS-485.
В самом деле, практически все компьютеры в промышленном исполнении оснащены средствами организации информационного обмена с использованием данных интерфейсов.
Современные интеллектуальные датчики и элементы управления наряду с традиционным интерфейсом RS-232 также могут иметь в своем составе подсистему последовательного
ввода-вывода информации на базе интерфейса RS-485. Программируемые логические контроллеры многих производителей в качестве средств организации территориально
распределенных систем сбора данных и управления содержат ту или иную реализацию интерфейсов RS-422/RS-485.
Несмотря на столь широкое распространение на отечественном рынке оборудования для промышленной автоматизации, имеющего в своем составе средства обмена данными,
реализованные на базе стандартов EIA RS-422/RS-485, в отечественной нормативно-технической литературе отсутствуют их полноценные эквиваленты. Отчасти это можно
объяснить тем, что данные стандарты фактически устанавливают требования только к электрическим характеристикам выходных каскадов передатчиков и входных каскадов
приёмников аппаратуры передачи данных, тогда как в имеющихся отечественных коммуникационных стандартах просматривается тенденция к охвату как можно большего
количества уровней базовой модели взаимодействия открытых систем ISO. В результате информация, которой пользуются разработчики, сводитсялибо к отрывочным сведениям,
содержащимся в документации на применяемые покупные технические средства, либо к справочным данным на приёмо-передатчики зарубежного производства.
Следует отметить, что высокий технический уровень отечественных электронщиков и системных интеграторов в большинстве случаев обеспечивает успех разработки
даже при наличии минимума нормативной информации. Однако даже после завершения приёмо-сдаточных испытаний очередной системы у многих участников проекта остаются
вопросы, к основным из которых можно отнести следующие:
- чем определяются ограничения, относящиеся к количеству элементов оконечного
оборудования сети, скорости передачи данных и максимальной протяженности линии
связи
- каковы критерии выбора кабеля
- каким образом следует реализовывать
электрическое питание и заземление аппаратуры, входящей в сеть передачи данных
- как защитить аппаратуру сети от помех
Цель настоящей статьи состоит в том, чтобы осветить основные положения стандартов EIA RS-422 и RS-485, а также привести ряд рекомендаций по практической
реализации систем передачи данных на базе указанных стандартов. При этом основное внимание будет уделено стандарту RS-485 как нашедшему наиболее широкое
распространение в территориально-распределенных системах обработки данных промышленного назначения.
Основные понятия и определения
В ходе изложения основных требований стандартов EIA RS-422/RS-485 использованы следующие термины.
Линия связи (Interchange Circuit) – физическая среда, предназначенная для переноса информации между единицами оборудования, принимающими участие в
информационном обмене, включая данные, сигналы управления и синхронизации.
Канал передачи данных (Data Transmission Channel) – совокупность физической среды и технических средств, включая аппаратуру преобразования сигналов,
вовлекаемых в процесс передачи информации между оборудованием системы связи.
Формирователь (Driver):
- Электронная цепь или контакт реле (источник) на передающей стороне линии связи, посредством которых осуществляется передача двоичных цифровых сигналов
в оконечную нагрузку по соединительному кабелю
- Передатчик двоичных цифровых сигналов
Оконечная нагрузка (Terminator):
- электронная цепь (потребитель) на приемной стороне цепи обмена, посредством которой осуществляется приём двоичных цифровых сигналов от формирователя по
соединительному кабелю
- приёмник двоичных цифровых сигналов
Рекомендации по применению
Приведённые далее сведения не являются частью стандарта, а носят характер рекомендаций по практическому применению приемо-передатчиков, соответствующих
требованиям стандарта EIA RS-485. При проектировании системы на базе технических средств, соответствующих данному стандарту, следует учитывать ряд весьма
важных факторов, среди которых в первую очередь должны рассматриваться следующие: количество передатчиков и приёмников, скорость передачи данных,
способ объединения технических средств и максимальная протяженность линии связи. Стандарт не устанавливает требования к способам объединения элементов
системы и другим средствам связи.
Основная конфигурация системы
Как правило, система содержит несколько приёмников, несколько формирователей и согласующие резисторы. Каждый формирователь должен обеспечивать работу
на 32 единицы нагрузки помимо согласующих резисторов, каждая из которых представляется совокупностью приёмника и формирователя, находящегося в пассивном
состоянии. Согласующие резисторы должны подключаться к линии связи в двух наиболее удалённых друг от друга местах подключения единиц нагрузки. Сопротивление
каждого согласующего резистора должно совпадать с волновым сопротивлением применяемого кабеля (от 100 до 120 Ом).
Формирователи и приёмники, соответствующие требованиям стандарта EIA RS-485, сохраняют работоспособность при воздействии на них синфазного напряжения в
диапазо не от -7 до +7 В (мгновенное значение). Синфазное напряжение определяется совокупностью нескомпенсированных разностей потенциалов земли приёмников
и формирователей, максимальным значением напряжения помех, измеренного между землей приёмника и жилами кабеля, соединенными с землей на передающей стороне
линии связи, а также максимальным значением напряжения смещения выходов формирователей (Uos). Если значение разности потенциалов между землями выходит за
пределы допустимого диапазона, то при реализации сети на основе интерфейса RS-485 следует применять приёмо-передатчики с гальванической изоляцией.
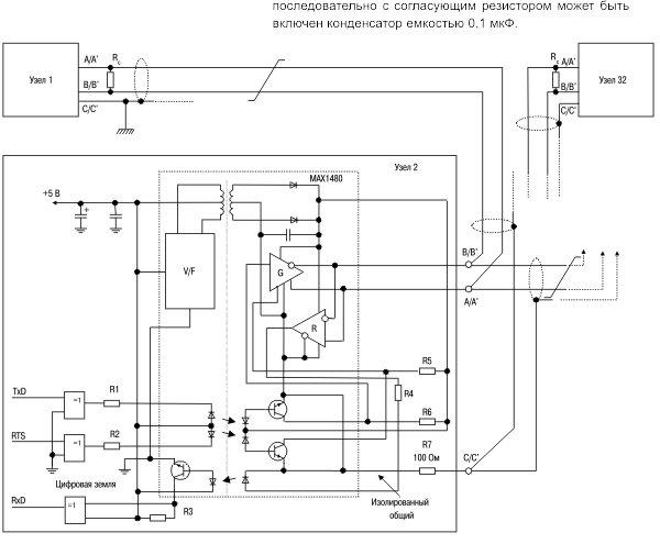
Один из возможных способов объединения формирователей и приёмников с гальванической изоляцией показан на рисунке 1.
Рисунок 1 – Способ объединения приёмо-передатчиков EIA RS-485 с гальванической изоляцией
Разработчик системы на базе данных приемников и формирователей должен учитывать возможность возникновения ситуации, когда все формирователи окажутся
перевёденными в пассивное состояние. В этом случае ни один приёмник не будет распознавать какого-либо устойчивого логического состояния. Если переводу всех
формирователей в пассивное состояние предшествовал сеанс информационного обмена, то логическое состояние на выходе всех приёмников будет соответствовать
последнему принятому биту информации. Для разрешения указанной проблемы разработчиком должны быть предприняты специальные меры. В частности, приёмо-передатчики
многих производителей оснащены цепями смещения выхода формирователя, показанными на рисунке 2. При этом после перевода всех формирователей,
входящих в состав сети, в пассивное (высокоимпедансное) состояние в линии связи будет поддерживаться уровень, соответствующий состоянию OFF (ВЫКЛЮЧЕН).
Для снижения потребления тока, протекающего по цепям смещения и согласующему резистору, последовательно с согласующим резистором может быть включен конденсатор
ёмкостью 0,1 мкФ.
Рисунок 2 – Цепи смещения линии связи
Средства объединения устройств системы
Средства объединения устройств включают в себя кабельную продукцию, соединители и согласующие резисторы и будут называться далее средствами связи.
Поскольку реальная конфигурация средств связи зависит от требований, обуславливаемых конкретным приложением и не установленных стандартом EIA RS-485,
далее приводится ряд указаний по выбору средств связи. Данные указания выработаны, исходя из предположения, что для подключения устройств к линии связи
не применяются элементы ответвления.
Основными параметрами, определяющими критерии выбора кабеля, являются:
- Скорость обмена, значение которой определяет длительность передаваемого бита информации
- Минимальный уровень сигнала на входе приемника, не обходимый для распознавания передаваемых двоичных состояний
- Максимально допустимый уровень искажений сигнала
- Максимальная требуемая протяженность линии связи
Длительность информационного бита (Tb) определяется минимально допустимым интервалом времени между переходами передаваемых двоичных состояний.
Если напряжение сигнала в линии не успевает достичь уровня, соответствующего передаваемому двоичному состоянию до появления следующего перехода, указанный
переход появится на входе приёмника с некоторым временным сдвигом, который приводит к возникновению межсимвольных искажений. При выборе кабеля должно быть
учтено отношение длительности переднего фронта к длительности информационного бита (tr / Tb) в точке подключения наиболее удалённого
приёмника.
Уровень сигнала, присутствующий на входе приёмника, должен быть не менее его порога чувствительности. При этом минимальное значение входного напряжения
должно выбираться с запасом в зависимости от интенсивности помех, воздействующих на линию связи и на приёмник, допустимой вероятности появления ошибок,
а также от допустимого уровня искажений сигнала на входе приёмника. Для определения параметров кабеля необходимо задаться минимальным уровнем сигнала на входе
самого удалённого приёмника с учётом перечисленных факторов.
Искажения сигнала определяются его временным сдвигом относительно положения при передаче в идеальных условиях. Количественно искажения выражаются в
процентах от полной длительности информационного бита. При выборе кабеля следует учитывать допустимый уровень искажений на входе приемника, расположенного в
самой удалённой точке линии связи.
Методика определения параметров кабеля (методика выбора кабеля)
- Исходя из требуемого значения скорости обмена, вычислить длительность информационного бита по формуле:
Tb = 1 / C,
где C — скорость обмена.
- Задать минимальное напряжение сигнала (U0), которое должно присутствовать на входе самого удалённого приёмника
- Задать максимальный допустимый уровень искажений сигнала (δ, %) на входе самого удалённого приёмника
- Задать максимальное требуемое значение длины кабеля (L, м)
- Вычислить максимальное допустимое значение омического сопротивления кабеля длиной L по следующей формуле:
Rl = Rc × (Umin – U0) / U0,
где Rl – полное омическое сопротивление кабеля длиной L;
Rc – сопротивление согласующего резистора, равное волновому сопротивлению кабеля;
Umin – минимальное напряжение сигнала на выходе формирователя, равное 1,5 В;
U0 – минимальное напряжение сигнала, которое должно присутствовать на входе самого удалённого приёмника.
- Вычислить погонное сопротивление кабеля по формуле:
rk = Rl / L,
где rk — погонное сопротивление кабеля.
- Руководствуясь справочными данными, выбрать кабель, волновое сопротивление которого равно принятому в п.5, а погонное сопротивление – не более
вычисленного в п.6.
- Вычислить длительность переднего фронта импульса (время нарастания сигнала от 10% до 90% его максимального уровня), воспользовавшись параметрами
выбранного кабеля:
tr = 2,2 × Rэкв × Ck × L,
где tr – длительность переднего фронта сигнала на входе самого удалённого приёмника;
Ck – погонная ёмкость кабеля;
Rэкв – эквивалентное активное сопротивление нагрузки формирователя, определяемое следующим образом:
Rэкв = L × rk* + 1 / (n / Rвх + 2 / Rc) ≈ Zk,
где rk* – погонное сопротивление выбранного кабеля;
L – максимальное требуемое значение длины кабеля;
Rвх – входное сопротивление приёмника;
Rc – сопротивление согласующего резистора, равное волновому сопротивлению кабеля;
n – предполагаемое количество приёмников, подключаемых к кабелю;
Zk – волновое сопротивление кабеля.
- Установить реальное значение уровня искажений сигнала на входе самого удаленного приемника (δ*), которое определяется отношением длительности переднего
фронта сигнала, рассчитанной в п.8, к полной длительности информационного бита, значение которой установлено в п.1, а также минимальным напряжением сигнала
на входе самого удалённого приёмника U0 в соответствии с графиками, приведенными на рисунке 3. Если полученный уровень искажений превышает
допустимый согласно п.3, следует повторить выбор кабеля. При этом кабель должен иметь меньшие значения погонного сопротивления и погонной емкости, чем
выбранный в п.7. Если не удаётся выбрать кабель с лучшими параметрами, следует снизить значение скорости обмена либо сократить протяжённость линии связи.
Графики, приведённые на рисунке 3, построены, исходя из предположения, что формирователь имеет максимально допустимую степень асимметрии выхода,
приёмник обладает наихудшей допустимой чувствительностью, а фронты сигнала, распространяющегося по линии связи между самыми удалёнными её точками, имеют форму,
близкую к обратной экспоненте. В реальных условиях искажения могут иметь характер, отличный от предположений, использованных при построении графиков.
Рисунок 3 – График зависимости уровня искажений сигнала на входе приёмника от минимального напряжения сигнала на его входе и от отношения
длительности переднего фронта к длительности информационного бита
В реальных условиях разработчику нередко приходится решать обратную задачу, а именно, по имеющимся техническим характеристикам приобретенных
приёмо-передатчиков, требуемой протяженности линии связи и параметрам стандартного кабеля определять максимально возможное значение скорости передачи данных.
Рассмотрим конкретный пример.
Пусть требуемая протяженность линии связи составляет 1200 м. В качестве среды обмена предполагается применить неэкранированную витую пару на основе провода
МГШВ 0,35. Кроме того, используется приёмо-передатчик фирмы Octagon Systems типа NIM, построенный на базе интегральной микросхемы MAX1480B. Необходимо определить
максимально возможное значение скорости передачи данных.
- Исходя из предположения, что волновое сопротивление линии связи составляет около 180...200 Ом, а погонная ёмкость – около 80...100 пФ/м, вычисляем длительность
переднего фронта передаваемого бита информации:
tr = 2,2 × Rэкв × Ck × L = 2,2 × (180...200) × (80...100) × 1200 = (38,02...52,08) мкс,
- Допускаемое отношение длительности переднего фронта к полной длительности передаваемого бита информации MAX1480B составляет 0,5. Таким образом, максимально
возможное значение скорости передачи данных лежит в диапазоне, определяемом следующим соотношением:
2 / 52,00⋅10-6 ≤ Cmax ≤ 2 / 38,02⋅10-6
9600,6 бит/сек ≤ Cmax 13151,0 бит/сек
Если в качестве среды обмена применить кабель типа 9842 фирмы Belden, волновое сопротивление которого со ставляет 120 Ом, а погонная емкость – 42 пФ/м,
то максимально возможное значение скорости передачи будет составлять около 37594 бит/с.
Влияние среды обмена
Разработчик системы передачи данных должен учитывать тот факт, что на качество её функционирования могут оказывать влияние такие эффекты, как помехи,
наведённые на линию связи, разность потенциалов земли в местах размещения технических средств системы, активные и реактивные потери мощности, а также отражения,
которые могут иметь место при высоких скоростях обмена. Степень влияния электромагнитных помех и разности потенциалов земли зависит от условий, в которых
функционирует система, и её эффективность определяется многими факторами, в том числе сбалансированностью или симметрией, описание влияния которой приведено далее.
Активные и реактивные потери зависят от качества применяемого кабеля. Отражения являются результатом внесения каждым устройством реактивных составляющих в
эквивалентную нагрузку, подключенную к выходу формирователя, находящегося в активном состоянии. При этом реактивные составляющие преимущественно имеют ёмкостный
характер. Стандарт описывает устройства, способные функционировать в широком диапазоне скоростей обмена (до 10 Мбит/с). Разработчик системы должен учитывать, что
даже при невысоких скоростях обмена, например 19,2 кбит/с, длительности переднего и заднего фронтов информационного бита могут составлять не более 10 нс, а
приёмники могут иметь ещё более высокое быстродействие. Таким образом, если не приняты специальные меры, то даже кратковременные помехи могут привести к нарушению
целостности потока передаваемых данных, в том числе при низких скоростях обмена.
Электромагнитные помехи и симметрия параметров канала связи
Устойчивость системы связи к электромагнитным помехам, возникающим в результате наличия паразитных индуктивных или ёмкостных связей источников помех со
средой обмена, отчасти определяется степенью асимметрии (или дисбаланса) распределенных и сосредоточенных параметров линии связи относительно земли. Интенсивность
помехи, действующей между двумя проводниками кабеля, как правило, будет определяться степенью асимметрии полного импеданса относительно земли, если предположить,
что источник помехи имеет одинаковую паразитную связь с каждым из проводников.
Рассмотрим структуру, состоящую из активного генератора, который расположенв одной из самых удалённых точек линии связи. В противоположной наиболее удалённой
точке линии связи располагается несколько приёмников и формирователей, пребывающих в пассивном состоянии и представленных в виде эквивалентной мостовой схемы,
показанной на рисунке 4. Поскольку формирователь в активном состоянии имеет малое выходное сопротивление, на низких частотах можно считать, что синфазная
составляющая помехи прикладывается к каждому входу эквивалентной мостовой схемы приёмника через сопротивление Rs / 2, как показано на рисунке 4.
Рисунок 4 – Эквивалентная схема системы связи при воздействии синфазной помехи
Rs – на высоких частотах – волновое сопротивление кабеля, на низких частотах – полное омическое сопротивление кабеля;
Za, Zb, Zc – полные импедансы совокупности приёмников, представленных в виде мостовой эквивалентной схемы;
Ei – напряжение помехи общего вида;
En – приведенное ко входу напряжение противофазной составляющей помехи.
Для указанной эквивалентной схемы степень асимметрии определяется отношением интенсивности помехи общего вида Ei к напряжению помехи En,
наведённой между проводниками кабеля на входе эквивалентной схемы приёмника:
B = 20⋅log |Ei / En|
Отношение Ei / En определяется следующей формулой (промежуточные вычисления опущены):
Ei / En = ((Ya + Yc + 2Gs) ⋅
(Yb + Yc + 2Gs) - Yc2) / (2Gs ⋅ (Yb - Ya)),
где Y
<x> = 1 / Z
<x>, G
s = 1 / R
s.
Пусть Yb - Ya = Yd. Кроме того, исходя из практических соображений, можно считать, что (Ya, Yb,
Yc) << Gs. Тогда степень асимметрии приближенно выражается следующей формулой:
Ei / En = 2Gs / Yd
Таким образом, степень асимметрии обратно пропорциональна сумме разностей полных (комплексных) проводимостей между каждой входной клеммой каждого приёмника
и землёй и не зависит от полной синфазной проводимости входа приёмника относительно земли (Ya + Yb).
Симметрия канала наиболее существенна в области высокочастотных составляющих передаваемого сигнала, которые лежат в полосе пропускания приемника.
Разница значений ёмкости между каждой входной клеммой приёмника и землей, составляющая всего лишь несколько пикофарад, может привести к значительной асимметрии
канала, если применяемый приёмник имеет полосу пропускания порядка сотен МГц.
Например, для 10 приёмников, подключенных к кабелю, волновое сопротивление которого составляет 120 Ом, наличие разности ёмкостей между входными клеммами каждого
из них и землёй, равной 10 пФ, приведёт к асимметрии канала на частоте 10 МГц, составляющей около 10 дБ. На более высоких частотах (на пример, 50 МГц) конфигурация
системы будет аналогична однопроводной с общим обратным проводом, которая лежит в основе интерфейса RS-232.
В связи с изложенным настоятельно рекомендуется использовать экранированную витую пару, что обеспечивает как симметрию линии связи, так и повышение
устойчивости к электромагнитным помехам.
Дополнительные требования к реализации заземления
Для правильного функционирования цепей формирователя и приёмника при обмене данными единицы оборудования системы должны иметь путь возврата сигнала между
цепями заземления на приёмной и передающей сторонах. Цепь заземления может быть выполнена путём непосредственного присоединения общих проводников каждого
устройства к точкам, имеющим нулевой потенциал. Указанный способ допустим только при гарантированном равенстве потенциалов земли в местах размещения единиц
оборудования системы. Кроме того, цепь заземления может быть реализована при помощи дренажного проводника, который имеется внутри кабеля передачи данных, как
показано на рисунке 5.
Рисунок 5 – Реализация цепей сигнального заземления при помощи дренажного проводника
При реализации цепи сигнального заземления вторым способом соединение третьего (дренажного) проводника с сигнальным общим проводом каждого устройства должно
быть выполнено через резистор небольшого сопротивления, например 100 Ом, который предназначен для ограничения блуждающих токов, когда в целях безопасности при
меняются другие цепи заземления.
В ряде случаев для повышения устойчивости к помехам электрического (не магнитного) характера применяется экранированный кабель передачи данных.
При его использовании экран должен быть соединен с корпусом оборудования только в одной из двух наиболее удалённых точек размещения технических средств системы.
Реализация второго варианта допустима только при гарантированном равенстве потенциалов земли в местах размещения единиц оборудования системы.
Требования к средствам присоединения экрана кабеля стандартом EIA RS-485 не устанавливаются.
Способ реализации цепей заземления при использовании приёмо-передатчиков с гальванической изоляцией показан на рисунке 1.
Конфликтные ситуации
Если к линии связи подключены два формирователя или более, то возможна ситуация их одновременного перехода в активное состояние. В случае, когда один
формирователь в активном состоянии является источником, а второй – потребителем тока, может произойти чрезмерный разогрев компонентов выходных каскадов
формирователей. Подобная ситуация носит название конфликтной. Поскольку требования к системе могут предопределять возможность одновременного перехода в активное
состояние более чем одного формирователя, условия испытаний согласно п.3.4.2 стандарта EIA RS-485 установлены с учётом ограничения максимальной мощности,
рассеиваемой компонентами выходного каскада формирователей.
Конфликтные ситуации могут возникать по следующим причинам.
- Включение питания системы. При включении питания системы либо при повторном включении после кратковременного отключения несколько формирователей
(или все) в процессе инициализации могут пребывать в активном состоянии.
- Неисправность системы. Возникновение неисправности системы или сбой программного обеспечения могут привести к переводу нескольких формирователей в
активное состояние.
- Использование протокола обмена, допускающего осуществление попыток одновременного доступа к каналу связи со стороны нескольких устройств.
Некоторые протоколы обмена могут содержать процедуры доступа к каналу связи, предусматривающие перевод нескольких формирователей в активное состояние
на короткие интервалы времени. Однако, в конечном счёте, канал предоставляется одному устройству, что обеспечивает разрешение конфликтной ситуации.
Механизмы возникновения неисправности формирователя показаны на рисунках 6 и 7.
Рисунок 6 – Конфликтная ситуация, вызванная одновременной активизацией двух формирователей
На рисунке 6 изображены выходные цепи двух формирователей, присоединенные к общей линии связи. Ток короткого замыкания будет протекать через открытое
верхнее плечо формирователя A и открытое нижнее плечо формирователя B. При наличии разности потенциалов между землями формирователей, лежащей в диапазоне от -7 до
+7 В, мощность, рассеиваемая формирователем A, может превысить предельно допустимое значение.
Например, если предельно допустимый ток нагрузки формирователя A составляет 250 мА, а разность потенциалов между землями формирователей – 7 В, то
рассеиваемая мощность будет составлять около 3 Вт.
Рисунок 7 – Конфликтная ситуация, вызванная одновременной активизацией нескольких формирователей
Ситуация, когда несколько формирователей нагружено на один, иллюстрируется на рисунке 7. По нижнему плечу формирователя В протекает суммарный ток от
нескольких формирователей A, что может привести к его выходу из строя за счёт увеличения напряжения насыщения (коллек-торэмиттер) и соответствующего роста
рассеиваемой мощности. Таким образом, формирователь должен быть оснащён средствами защиты, предотвращающими выход из строя по описанным ранее причинам.
Наиболее очевидными решениями указанной задачи являются:
- Введение элементов ограничения тока
- Реализация тепловой защиты формирователя
При использовании ограничителей тока уменьшается рассеиваемая мощность и после разрешения конфликтной ситуации работоспособность устройства мгновенно
восстанавливается. В случае же применения тепловой защиты при ее срабатывании время восстановления формирователя значительно возрастает. Таким образом,
предпочтительно реализовывать тепловую защиту таким образом, чтобы её порог срабатывания был близок к предельно допустимому значению тока, протекающего по
цепям выходного каскада формирователя. Совместно с тепловой защитой рекомендуется устанавливать в выходных цепях формирователя элементы ограничения тока,
функция которых состоит в снижении рассеиваемой мощности при протекании тока, незначительно превышающего номинальный.
Конфликтные ситуации, сопровождаемые протеканием по линии большого тока, приводят к тому, что в линии связи запасается реактивная энергия.
При резком снижении тока происходит всплеск напряжения, интенсивность которого определяется формулой:
U = Iкз⋅Zk / 2
где U – амплитуда всплеска напряжения;
I
кз – суммарный ток короткого замыкания, протекавшего в линии при конфликтной ситуации;
Z
k – волновое сопротивление линии связи.
Разработчик системы должен предусматривать возможность возникновения всплесков напряжения, амплитуда которых существенно превышает установленное стандартом
значение (25 В). Указанные всплески могут быть вызваны кратковременными мощными помехами, возникающими при коммутации силового оборудования, а также атмосферными
разрядами. Схема подключения устройства подавления импульсных помех показана на рисунке 8.
Рисунок 8 – Схема подключения устройства подавления импульсных помех
При реализации внешних цепей защиты приёмо-передатчиков следует учитывать тот факт, что каждое установленное устройство подавления выбросов напряжения
в линии связи вносит ёмкость, эквивалентную ёмкости кабеля длиной около 120 м.